Ningbo Richge Technology Co., Ltd.
Ningbo Richge Technology Co., Ltd.
Produkter
VBI-24 fast type isolering cylinder MV vakuumafbryder
  • VBI-24 fast type isolering cylinder MV vakuumafbryderVBI-24 fast type isolering cylinder MV vakuumafbryder
  • VBI-24 fast type isolering cylinder MV vakuumafbryderVBI-24 fast type isolering cylinder MV vakuumafbryder

VBI-24 fast type isolering cylinder MV vakuumafbryder

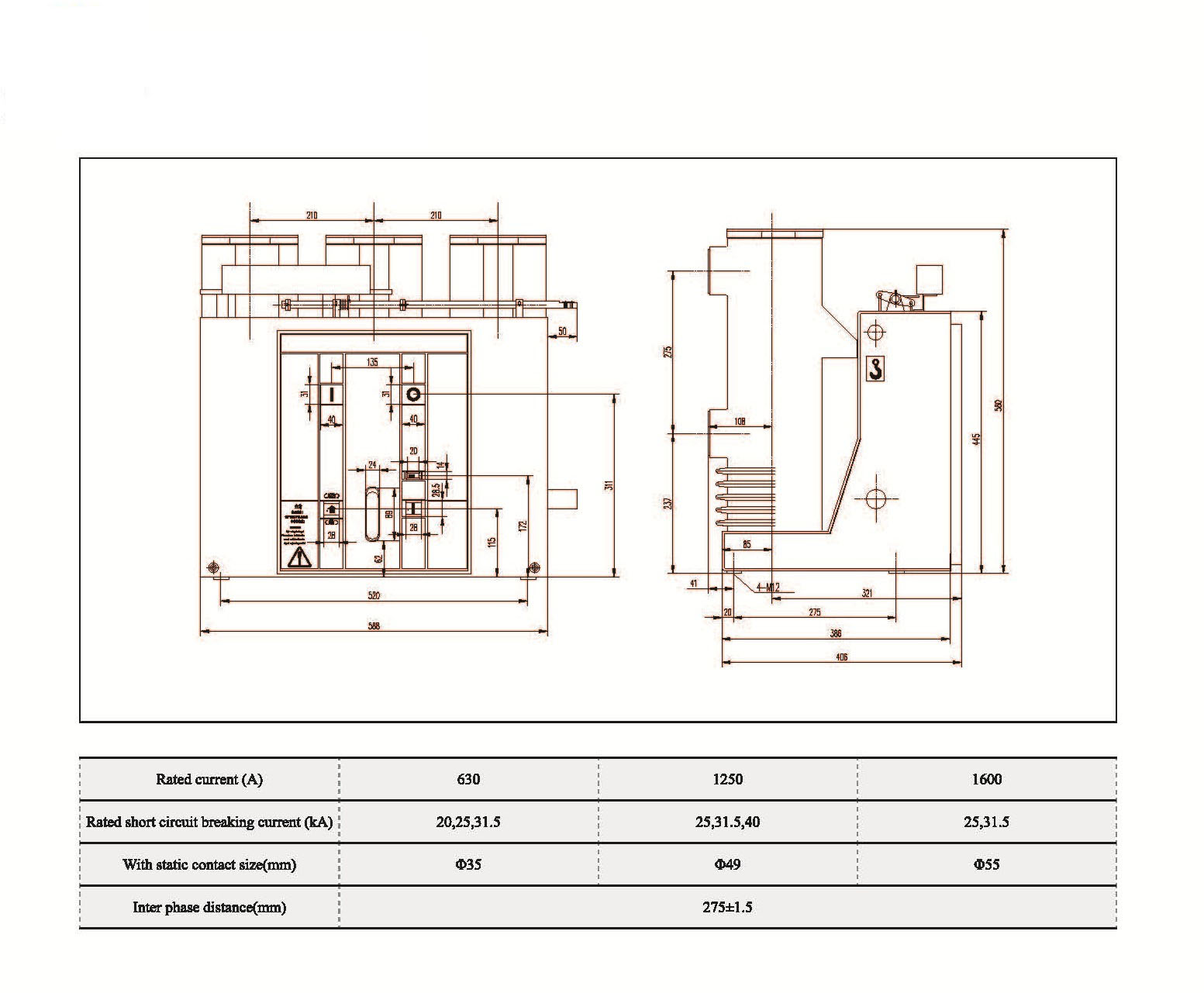
Model:VBI-24
VBI -serien indendørs vakuumafbryder er en ny generation af intelligente vakuumafbrydere. Dens levende komponenter, herunder vakuuminterrupter med højtydende vakuum og øvre og nedre udgående terminaler, er indkapslet i epoxyharpiks efter terminaler. Dette design hjælper med at forhindre kontaminering på overfladen af ​​vakuuminterrupteren, hvilket forbedrer dets isoleringsegenskaber, mekanisk stabilitet og forlænger dens operationelle levetid. Betjeningsmekanismen for VBI-24-sidemonteret type vakuumkredsløb bægerglas bruges forår til opbevaringsenergi, som kan betjenes af to måder, manuel eller elektrisk. Egenskaberne er i overensstemmelse med GB1984-89, JB3855-96<10kv Indoor High Voltage Vacuum Circuit Breaker General Technical Specifications>, Relevante bestemmelser i IEC56 -standard. VBI-24 indendørs højspændingsvakuumafbryder er trefaset AC 50Hz , nominel spænding på 24 kV indendørs enhed , til industrielle og minedriftsvirksomheder, kraftværker og stationer som elektrisk udstyrs kontrol og beskyttelsesformål og til hyppig drift af stedet.

VBI-24 fast type isolering cylinder MV vakuumafbryder

   VBI-24-serie af indendørs højspændings vakuumafbryder med indlejrede poler er tre sætninger A.C.50 Hz indendørs strømfordelingsudstyr med den nominelle spænding på 24 kV.IT, der er brugt til at beskytte og kontrollere det elektriske udstyr inden for industri og minedrift, effektplanter og substation.

   Det vigtigste ledende kredsløb for denne type vakuumafbrydere med fjedermekanisme er indlejret pol, der kan forbedre pålideligheden af ​​isolering, mekanisk og brudt ydeevne og virkelig realisere den frie vedligeholdelse og længere mekaniske og elektriske levetid. Denne type vakuumafbrydere overholder de nationale standarder og bestemmelserne i IEC-standarden. Kapaciteten når kvaliteten af ​​M-E2-C2.

   Produktet bruges til mange slags switchgear som KYN28-24 (GZS1) og kan være fast installation.

  VBI-24 indendørs højspændingsvakuumafbryder er trefaset AC 50Hz , nominel spænding på 24 kV indendørs enhed , til industrielle og minedriftsvirksomheder, kraftværker og stationer som elektrisk udstyrs kontrol og beskyttelsesformål og til hyppig drift af stedet.







Grundlæggende info.


Tekniske parametre




Tekniske tegninger

FAQ

Spørgsmål: Kunne jeg have priser på dine produkter?

A: Velkommen. Du er velkommen til at sende os forespørgsel her. Vi svarer dig inden for 24 timer.


Spørgsmål: Kan jeg få en prøve inden bulkordren?

A: Ja, vi glæder os over prøveordre til at teste og kontrollere kvalitet. Blandede prøver er acceptable.


Spørgsmål: Kan vi udskrive vores logo/ firmanavn på produkter?

A: Ja, selvfølgelig accepterer vi OEM, så har du brug for at give brand tilladelse til os


Spørgsmål: Accepterer du produkttilpasning?

A: Ja, selvfølgelig, bedes du give specifikke tegninger eller parametre, vi vil citere dig efter evaluering


Spørgsmål: Hvad er ledetid?

A: Ledetid afhænger af de bestilte mængder, generelt inden for 7-20 dage efter modtagelse af betalingen.


Spørgsmål: Hvad er dine handelsbetingelser?

A: Vi accepterer EXW, FOB, CIF, FCA osv.


Spørgsmål: Hvad er din betalingsmetode?  

A: Vi accepterer T/T, Western Union, PayPal, uigenkaldelig L/C ved synet osv.


Spørgsmål: inspicerer du de færdige produkter?

A: Ja, hvert trin i produktionen og færdige produkter kommer til inspektion af QC -afdelingen inden forsendelse. Og vi vil give varerinspektionsrapporter til din reference inden afsendelse


Spørgsmål: Hvordan løser man kvalitetsproblemerne efter salg?

A: Tag fotos af kvalitetsproblemerne og send til os for vores kontrol og bekræftelse, vi vil lave en tilfreds løsning for dig inden for 3 dage.




Fabrik


Certifikat




Hot Tags: VBI-24 Fast type isoleringscylinder MV vakuumafbryder, Kina, producent, leverandør, fabrik, lav pris, kvalitet, seneste salg, avanceret
Send forespørgsel
Kontaktoplysninger
For forespørgsler om lavspændingskoblinger, højspændingsisolatorer, højspændingsjordingsafbrydere eller prisliste, bedes du efterlade din e-mail til os, og vi vil kontakte os inden for 24 timer.
X
Vi bruger cookies til at tilbyde dig en bedre browsingoplevelse, analysere trafik på webstedet og tilpasse indhold. Ved at bruge denne side accepterer du vores brug af cookies. Privatlivspolitik
Afvise Acceptere