Ningbo Richge Technology Co., Ltd.
Ningbo Richge Technology Co., Ltd.
Produkter
Zn12-12-serien Integreret søjleafbrydervakuumafbryder
  • Zn12-12-serien Integreret søjleafbrydervakuumafbryderZn12-12-serien Integreret søjleafbrydervakuumafbryder
  • Zn12-12-serien Integreret søjleafbrydervakuumafbryderZn12-12-serien Integreret søjleafbrydervakuumafbryder

Zn12-12-serien Integreret søjleafbrydervakuumafbryder

Model:ZN12-12
Zn12-12-serie indendørs AC HV vakuumafbryder er det indendørs udstyr i tre faser AC 50Hz, nominel spænding på 12 kV, som introducerede teknologien fra det tyske selskab. Det er velegnet til område med alle former for belastning og hyppig drift og kan bruges til beskyttelse og kontrol af industriel og minedrift, virksomhed, kraftværk og substation elektriske faciliteter. Dette produkt er i overensstemmelse med det relaterede krav fra GB1984, JB3855, DL403 og IEC standarder.

Zn12-12-serien Integreret søjleafbrydervakuumafbryder

  Zn12-12 indendørs højspændingsvakuumafbrydere-nominel spænding på 12 kV og følgende indendørs højspændingsafbryder, hovedsageligt installeret i fast switchgear, til industriel og minedrift virksomhed, kraftværker og substationer til beskyttelse og kontrol af elektriske faciliteter og er egnet til at bryde vigtige belastninger og hyppig drift af stedet!

  Zn12-serie vakuumafbrydere er indendørs højspændingsafbryderenhed med nominelle spændinger på 12 kV, 24 kV og 40,5 kV og trefaset AC 50Hz. Det er et indenlandsk produkt, der er udviklet ved at introducere tyske Siemens 3AF -teknologi. Kredsløbets driftsmekanisme er en foråret energilagringstype, der kan betjenes af AC eller DC eller manuelt. Circuit Breaker har enkel struktur, stærk brudkapacitet, lang levetid og komplette driftsfunktioner. Og der er ingen fare for eksplosion, og vedligeholdelsen er enkel. Det er velegnet til kontrol- eller beskyttelseskontakt for kraftoverførsel og distributionssystemer såsom kraftværker, stationer og industrielle og minedriftsvirksomheder, især egnede til at bryde vigtige belastninger og hyppige driftssteder. Installationsformularen for afbryderen i switch-kabinettet kan enten være en fast type eller en tilbagetrækkelig type afbryder. Dette produkt overholder relevante standarder såsom GB1984, JB3855 og IEC62271-100 “Højspændings AC Circuit Breaker”.


Fordele:

1. Circuit Breaker vedtog vurderingen af ​​ministeriet for maskiner og ministeriet for elektrisk strøm i august 96., hvilket betyder, at kvaliteten er absolut garanteret.

Circuit Breaker -mekanismen er integreret med kontakten, og aktuatormekanismen for speciel fjederenergilagringstype kan betjenes af AC- og DC -energilagring eller manuelt betjent.

Med enkel struktur, stærk brudkapacitet, lang levetid, komplette driftsfunktioner, ingen eksplosionsfare og let vedligeholdelse, er denne afbryder egnet til kontrol eller beskyttelsesafbryder for kraftoverførsel og distributionssystem såsom kraftværk, bykraftgitter, substation osv. Det er især velegnet til at bryde vigtige belastninger og steder med hyppig drift.


Funktioner:

1.. Bue -slukkekammerets brudkapacitet er høj, den nuværende bæreevne er lav, og det elektriske liv er langt.

2. layout er fra front til bagerste, enkel og kompakt struktur, komplet drift og let vedligeholdelse.

3. For at strukturere og installation kan de opdeles i: vandret fast type, skråt fast type, midterste sæt bevægelig type.






Grundlæggende info.



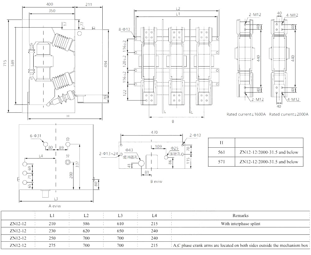
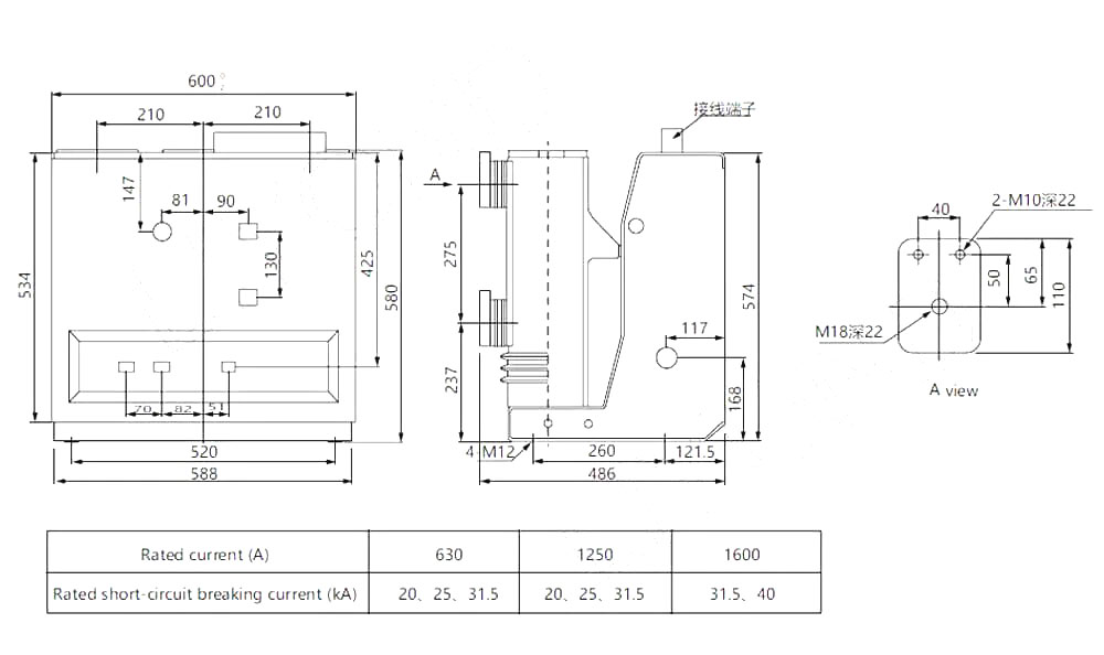
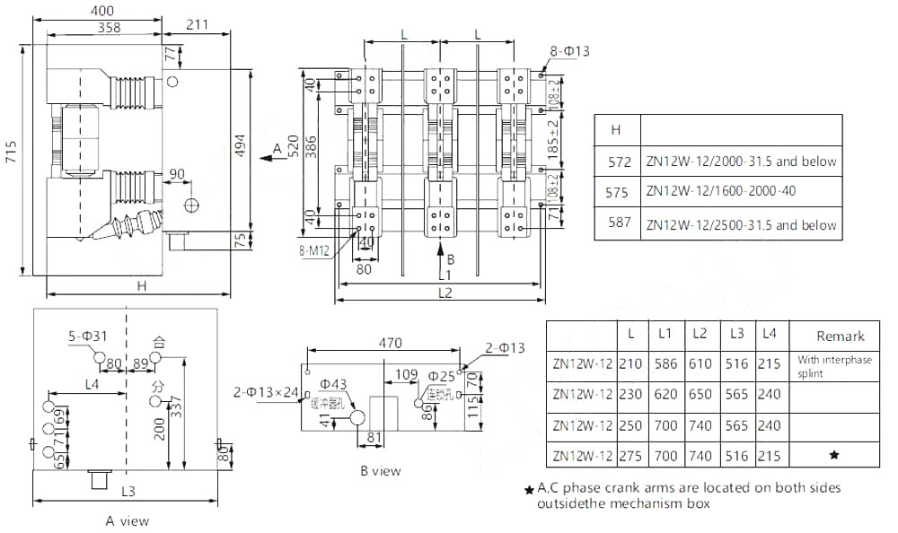
Tekniske parametre



Tekniske tegninger


Brugsbetingelser for Zn12-12 Integreret søjlekontakt Vacuum Circuit Breaker1. Højde: ≤1000 m; (Prototypehøjden kan nå under 4000 meter)

2. Omgivelsestemperatur: Højeste +40 ° C, lavest -25 ° C;

3. Relativ fugtighed: Det daglige gennemsnit ikke mere end 95%, månedligt gennemsnit ikke mere end 90%;

4. jordskælvsintensitet: mindre end 8;

5. Installationsmiljø: Ingen brand, eksplosionsfare, ingen ætsende gas og ingen voldelig vibrationssted.

6. Kontakt den vakuumafbryderproducent, hvis brugsmiljøet overstiger ovenstående.




FAQ

Spørgsmål: Kunne jeg have priser på dine produkter?

A: Velkommen. Du er velkommen til at sende os forespørgsel her. Vi svarer dig inden for 24 timer.


Spørgsmål: Kan jeg få en prøve inden bulkordren?

A: Ja, vi glæder os over prøveordre til at teste og kontrollere kvalitet. Blandede prøver er acceptable.


Spørgsmål: Kan vi udskrive vores logo/ firmanavn på produkter?

A: Ja, selvfølgelig accepterer vi OEM, så har du brug for at give brand tilladelse til os


Spørgsmål: Accepterer du produkttilpasning?

A: Ja, selvfølgelig, bedes du give specifikke tegninger eller parametre, vi vil citere dig efter evaluering


Spørgsmål: Hvad er ledetid?

A: Ledetid afhænger af de bestilte mængder, generelt inden for 7-20 dage efter modtagelse af betalingen.


Spørgsmål: Hvad er dine handelsbetingelser?

A: Vi accepterer EXW, FOB, CIF, FCA osv.


Spørgsmål: Hvad er din betalingsmetode?  

A: Vi accepterer T/T, Western Union, PayPal, uigenkaldelig L/C ved synet osv.


Spørgsmål: inspicerer du de færdige produkter?

A: Ja, hvert trin i produktionen og færdige produkter kommer til inspektion af QC -afdelingen inden forsendelse. Og vi vil give varerinspektionsrapporter til din reference inden afsendelse


Spørgsmål: Hvordan løser man kvalitetsproblemerne efter salg?

A: Tag fotos af kvalitetsproblemerne og send til os for vores kontrol og bekræftelse, vi vil lave en tilfreds løsning for dig inden for 3 dage.




Fabrik


Certifikat




Hot Tags: Zn12-12-serie Integreret søjleafbrydervakuumafbryder, Kina, producent, leverandør, fabrik, lav pris, kvalitet, seneste salg, avanceret
Send forespørgsel
Kontaktoplysninger
For forespørgsler om lavspændingskoblinger, højspændingsisolatorer, højspændingsjordingsafbrydere eller prisliste, bedes du efterlade din e-mail til os, og vi vil kontakte os inden for 24 timer.
X
We use cookies to offer you a better browsing experience, analyze site traffic and personalize content. By using this site, you agree to our use of cookies. Privacy Policy
Reject Accept